- 产品特点
- 采用先进的贵金属簇刷式多点接触,在极低的摩擦力下保证接触可靠;
- 可稳定传输0~2A电流/信号;
- 内径7mm,外径24mm;
- 通路数:2~12路;
- 一体化结构设计,安装方便。
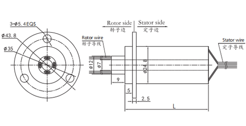
订购型号说明

外形图纸

标准型号列表
| 型号 | 线路数(信号或0-2A) | 长度L(mm) |
| H0724-02S | 2线 | 27mm |
| H0724-03S | 3线 | 27mm |
| H0724-04S | 4线 | 27mm |
| H0724-06S | 6线 | 27mm |
| H0724-08S | 8线 | 27mm |
| H0724-10S | 10线 | 27mm |
| H0724-12S | 12线 | 27mm |
| H0724-24S | 24线 | 41mm |
| H0724-36S | 36线 | 55.5mm |
h0724系列滑环技术规格参数
| 机械技术指标 | |
| 工作寿命 | 参考产品等级选型表 |
| 额定转速 | 参考产品等级选型表 |
| 工作温度 | -30℃∼80℃ |
| 工作湿度 | 0∼85% RH |
| 接触材料 | 参考产品等级选型表 |
| 壳体材料 | 铝合金 |
| 转动扭矩 | 0.05N.m+0.02N.m/6路 |
| 防护等级 | IP51 |
| 电气技术指标 | ||
| 参数 | 功率 | 信号 |
| 额定电压 | 0∼240VAC/VDC | 0∼240VAC/VDC |
| 绝缘电阻 | ≥500MΩ/500VDC | ≥500MΩ/500VDC |
| 导线规格 | AWG28#镀银铁氟龙 | AWG28#镀银铁氟龙 |
| 导线长度 | 标准长度300mm (可根据要求调整) |
|
| 绝缘强度 | 500VAC@50Hz,60s | |
| 动态电阻变化值 | < 0.01Ω | |
h0724产品等级
| 产品等级代号 | 最高转速 | 工作寿命 | 接触材料 |
| C(通用级) | 250RPM | 2000万转 | 贵金属 |
| D(工业级) | 600RPM | 8000万转 | 镀金-镀金 |
| H(高端级) | 1000RPM | 1.5亿转 | 金合金 |
相关产品推荐





