- 产品特点
- 支持每路信号(2A)、电流(5A,可选做倍率*5A,如10A/每路);
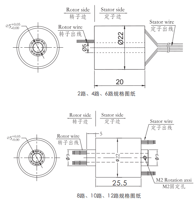
- 内径5mm,外径22mm;
- 额定转速:250RPM;
- 标准型号支持2~4路(每路10A)电流或2~24信号(每路2A)信号,可定制更多通路数;
- 接触材料采用贵金属+超硬镀金处理;
- 电阻波动小,接触电阻小,保证优良的传输性能;
订购型号说明

外形图纸

标准型号列表
| 型号 | 线路数(信号或0-2A) | 长度L(mm) |
| H0522-06 | 6 | 20 |
| H0522-12 | 12 | 25.5 |
h0522系列滑环技术规格参数
| 机械技术指标 | |
| 工作寿命 | 2000万转(参考值,视工作环境而定) |
| 额定转速 | 250RPM |
| 工作温度 | -30℃∼80℃ |
| 工作湿度 | 0∼85% RH |
| 接触材料 | 参考产品等级选型表 |
| 壳体材料 | 铝合金/工业塑料 |
| 转动扭矩 | 0.05N.m+0.02N.m/6路 |
| 防护等级 | IP51 |
| 电气技术指标 | ||
| 参数 | 功率 | 信号 |
| 额定电压 | 0∼240VAC/VDC | 0∼240VAC/VDC |
| 绝缘电阻 | ≥500MΩ/500VDC | ≥500MΩ/500VDC |
| 导线规格 | AWG28#镀银铁氟龙 | AWG28#镀银铁氟龙 |
| 导线长度 | 标准长度300mm (可根据要求调整) |
|
| 绝缘强度 | 500VAC@50Hz,60s | |
| 动态电阻变化值 | < 0.01Ω | |
h0522产品等级
| 产品等级代号 | 最高转速 | 工作寿命 | 接触材料 |
| C(通用级) | 250RPM | 2000万转 | 贵金属 |
| D(工业级) | 600RPM | 8000万转 | 镀金-镀金 |
相关产品推荐







