- 产品特点
- 4个进气和4个出气通路;
- 可选纯气滑环,也可以混合功率动力线、信号线、以太网、编码器线、控制线、电磁阀、感应线等;
- 标准为过孔安装形式,可定制法兰等其他安装方式;
- 能通过的介质有: 压缩空气、氮气、化学混合气体、冷却水、热水、饮料等。
订购型号说明

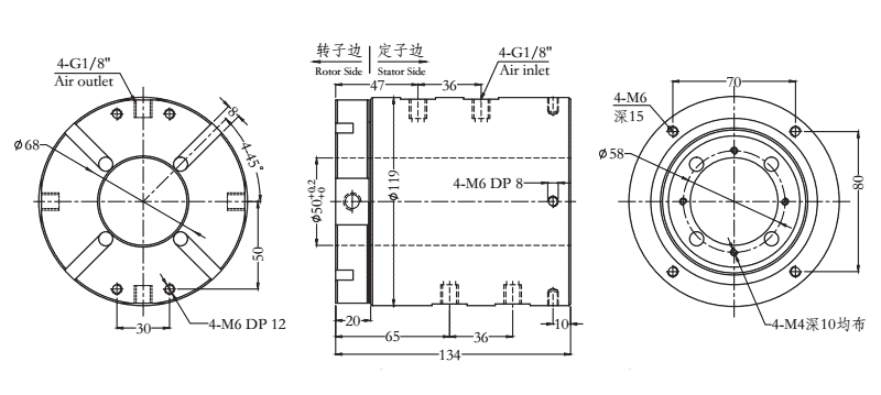
外形图纸

标准型号列表
| 型号 | 气管数量 | 接口尺寸 | 可适应气管 |
| 3504006 | 4进4出 | G1/8" | 6∼8mm |
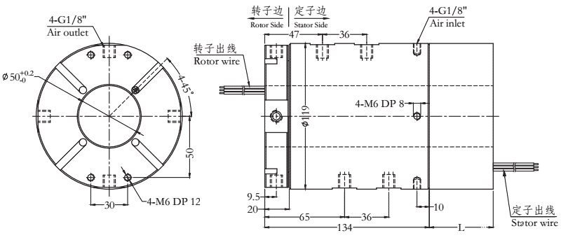
外形图纸

标准型号列表
| 型号 | 气管数量 | 接口尺寸 | 可适应气管 | 电流(10A)路数 | 信号(5A)路数 | L长度(mm) |
| 3504006-0605 | 4进4出 | G1/8" | 6∼8mm | 0 | 6 | 52 |
| 3504006-0610 | 4进4出 | G1/8" | 6∼8mm | 0 | 6 | 52 |
| 3504006-1205 | 4进4出 | G1/8" | 6∼8mm | 0 | 12 | 74 |
| 3504006-1210 | 4进4出 | G1/8" | 6∼8mm | 12 | 0 | 74 |
| 3504006-1805 | 4进4出 | G1/8" | 6∼8mm | 0 | 18 | 100 |
| 3504006-1810 | 4进4出 | G1/8" | 6∼8mm | 18 | 0 | 100 |
| 3504006-2405 | 4进4出 | G1/8" | 6∼8mm | 0 | 24 | 124 |
| 3504006-2410 | 4进4出 | G1/8" | 6∼8mm | 24 | 0 | 124 |
*注:10A和信号(5A)可以任意组合,详情请咨询米兰app体育官方入口下载手机版技术人员。
3504006系列滑环技术规格参数
| 气滑环技术指标 |
| 气管数量 | 4进4出 |
| 气管大小 | G1/8"牙 支持6∼8mm气管 |
| 机械技术指标 | |
| 参数 | 数值 |
| 工作寿命 | 参考产品等级表 |
| 最高转速 | 参考产品等级表 |
| 工作温度 | -30℃∼80℃ |
| 工作湿度 | 0∼85% RH |
| 接触材料 | 贵金属接触 |
| 壳体材料 | 铝合金 |
| 最大压力 | 正压:1Mpa,真空:-90kPa | |
| 扭矩 | <0.2N.m | |
| 电气技术指标 | ||
| 参数 | 数值 | |
| 功率 | 信号 | |
| 额定电压 | 0∼440VAC/VDC | 0∼440VAC/VDC |
| 绝缘电阻 | <500MΩ/300VDC | <500MΩ/300VDC |
| 导线规格 | AWG17#镀银铁氟龙 | AWG22#镀银铁氟龙 |
| 导线长度 | 标准长度250mm(可根据要求调整) | |
| 绝缘强度 | 500VAC@50Hz,6s | |
| 动态电阻变化值 | <0.01Ω | |
| 防护等级 | IP51 | |
3504006产品等级
| 产品等级代号 | 最高转速 | 工作寿命 | 型号举例 |
| C(通用级) | 连续200RPM,间歇1000RPM | 1000万转 | 3504006-C |
| D(工业级,默认不写) | 连续250RPM,间歇1500RPM | 2000万转 | 3504006 或者 3504006-D |
相关产品推荐






