- 产品特点
- 标准带RJ45接头,可剪掉当编码器线使用;
- 稳定传输1路千兆以太网信号;
- 可混合传输4路0~10A功率线;
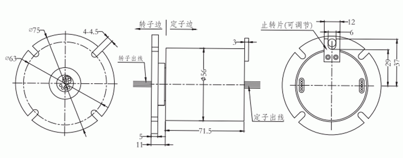
- 滑环外径:56mm,法兰安装;
- 具有传输稳定、不丢包、不串码、回损小、插入损耗小等优点;
订购型号说明

外形图纸

em056-18-tm系列滑环技术规格参数
| 以太网 | 1组千兆以太网 |
| 机械技术指标 | |
| 参数 | 数值 |
| 工作寿命 | 参考产品等级选型表 |
| 额定转速 | 参考产品等级选型表 |
| 工作温度 | -30℃∼80℃ |
| 工作湿度 | 0∼85% RH |
| 接触材料 | 参考产品等级选型表 |
| 壳体材料 | 铝合金 |
| 转动扭矩 | 0.1N.m(+0.03N.m/6路) |
| 防震级别 | MIL-STD-810E |
| 材料 | RoHS 认证 |
| 接头类型 | 两端RJ45公头(可选母头) | |
| 电气技术指标 | ||
| 参数 | 数值 | |
| 功率 | 信号 | |
| 额定电压 | 0∼440VAC/VDC | 0∼440VAC/VDC |
| 绝缘电阻 | ≥1000MΩ/500VDC | ≥1000MΩ/500VDC |
| 导线规格 | AWG17#镀银铁氟龙 | AWG22#镀银铁氟龙 |
| 导线长度 | 标准长度300mm(可根据要求调整) | |
| 绝缘强度 | 500VAC@50Hz,60s | |
| 动态电阻变化值 | < 0.01Ω | |
| 电气噪声 | <10 毫欧 | |
| CE 认证 | 是 | |
em056-18-tm产品等级
| 产品等级代号 | 最高转速 | 工作寿命 | 接触材料 |
| C(通用级) | 250RPM | 2000万转 | 贵金属 |
| D(工业级) | 600RPM | 8000万转 | 镀金-镀金 |
相关产品推荐





