S010-06系列6通路微型分体式滑环(孔径9.55mm)
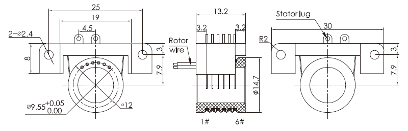
6通路数,外径14.3mm,通孔直径9.55mm
米兰app体育官方入口下载手机版S010-06系列6通路微型分体式滑环,体积小巧,用于在某些特殊的场合替代米兰app体育官方入口下载手机版帽式滑环。分体式滑环可用于任何要求无限制,间歇性或者连续旋转时传输电源和/或信号的电动机械,可以提升机器性能,简化系统操作以 及避免损坏机器移动部分悬挂着的线材。转子是桶状结构,单独连续的铜环绕着旋转轴。主要优点就是尺寸小,可用于某些需要滑环提供360度旋转传输微弱电流或信号的装置中,但安装没有米兰app体育官方入口下载手机版过孔滑环和帽式滑环方便,客户在选项的时候,如果能选用通用规格滑环,则不建议选用分体式滑环。
- 产品特点
- 360度旋转传输0.1~2A微弱信号;
- 尺寸极小,外径14.3mm,长度13.2mm,孔径9.55mm;
- 转子和定子可以独立安装,适用于孔径异常紧凑的设备中;
- 铜环与端子线耳均采用镀金或镀锡,导电性能极好;
- V型槽镀金设计,抗氧化,耐磨;
- 可选加高绝缘(0.110直径)与环加90°V型槽;
- 典型应用:仪器、显示器以及航空电子、测试测量。
订购型号说明

外形图纸

s010-06系列滑环技术规格参数
| 机械技术指标 | |
| 参数 | 数值 |
| 通路数 | 6路 |
| 额定转速 | 250转/分钟 |
| 工作温度 | -40℃∼80℃ |
| 工作湿度 | 0~85%RH |
| 接触材料 | 贵金属:金-金 |
| 材料 | ROHS认证 |
| CE认证 | 是 |
| 电气技术指标 | ||
| 参数 | 数值 | |
| 功率 | 信号 | |
| 额定电压 | 0∼250VAC/VDC | 0∼250VAC/VDC |
| 绝缘电阻 | ≥1000MΩ/500VDC | ≥1000MΩ/500VDC |
| 导线规格 | AWG30#镀银铁氟龙 | AWG30#镀银铁氟龙 |
| 导线长度 | 标准长度150mm(可根据要求调整) | |
| 绝缘强度 | 300VAC@50Hz,60s | |
| 动态电阻变化值 | < 0.01Ω | |
相关产品推荐







