M220系列帽式滑环
主体外径:22mm , 2~36路(2A/5A/10A/30A)电流/信号
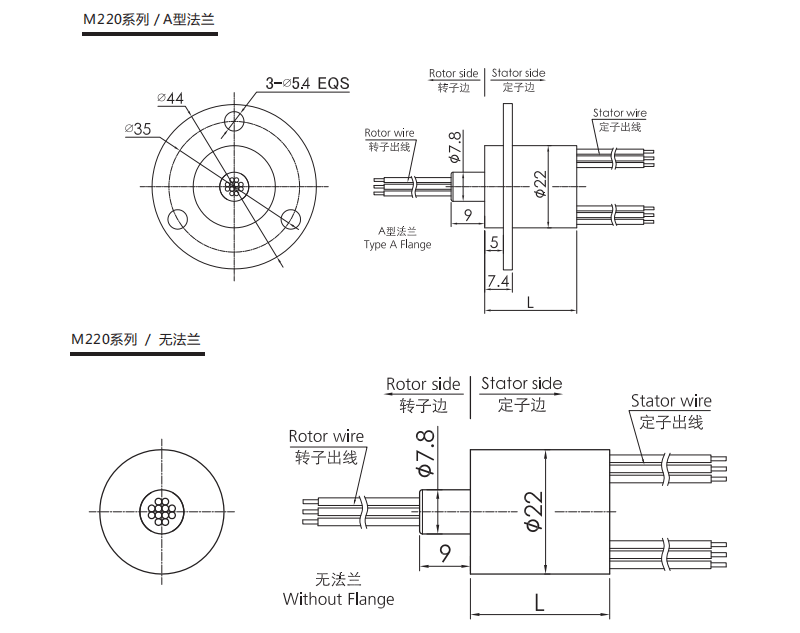
米兰app体育官方入口下载手机版M220系列滑环外径尺寸为22毫米,滑环长度有19、26、33、40、57.3毫米多种规格,有6路、8路、12路、18路、24路、36路多种标准型号,可选2~36路,A型法兰和U型法兰两种安装方式。该系列滑环体积小,结构紧凑,是米兰app体育官方入口下载手机版电子专门针对消费电子,安防行业、舞台灯行业以及国防、军用、研究所等非民用领域研发制作的一款产品。旋转端导线和静止端导线对应使用24色彩色导线,更加便于接线操作。导电环采用90度角V行槽设计,让接触面更多,让旋转更顺畅,力矩更低和动态电阻更低的特点。
- 产品特点
- 滑环外径22毫米;
- 扭矩非常小,小于0.06N.m;
- 标准型号支持2~36路信号(每路2A),可定制滑环(环)路数;
- 标准化产品,有库存;
- 安装方便,A型和U型法兰安装;
订购型号说明

外形图纸

标准型号列表
| 型号 | 线路(芯)数 | 每路最大电流 | 导线规格 | 长度L(mm) |
| M220-06 | 6 | 2A | 镀银铁氟龙AWG26# | 19 |
| M220-12 | 12 | 2A | 镀银铁氟龙AWG26# | 26 |
| M220-18 | 18 | 2A | 镀银铁氟龙AWG26# | 33 |
| M220-24 | 24 | 2A | 镀银铁氟龙AWG26# | 40 |
| M220-36 | 36 | 2A | 镀银铁氟龙AWG26# | 54.5 |
| M220-0605 | 6 | 5A | 镀银铁氟龙AWG22# | 40 |
| M220-0805 | 8 | 5A | 镀银铁氟龙AWG22# | 40 |
| M220-1205 | 12 | 5A | 镀银铁氟龙AWG22# | 40 |
| M220-0210 | 2 | 10A | 镀银铁氟龙AWG17# | 26 |
| M220-0310 | 3 | 10A | 镀银铁氟龙AWG17# | 33 |
| M220-0410 | 4 | 10A | 镀银铁氟龙AWG17# | 40 |
| M220-0230 | 2 | 30A | 镀银铁氟龙AWG12# | 45 |
| M220-0330 | 3 | 30A | 镀银铁氟龙AWG12# | 45 |
| M220-0205-12S | 2路5A+12路信号 | 5A&AWG22#,信号&AWG26# | 40 | |
| M220-0305-12S | 3路5A+12路信号 | 5A&AWG22#,信号&AWG26# | 40 | |
| M220-0605-06S | 6路5A+6路信号 | 5A&AWG22#,信号&AWG26# | 40 | |
| M220-0210-12S | 2路10A+12路信号 | 10A&AWG17#,信号&AWG26# | 40 | |
| M220-0310-06S | 3路10A+6路信号 | 10A&AWG17#,信号&AWG26# | 40 | |
| M220-0320-04S | 3路20A+4路信号 | 20A&AWG14#,信号&AWG26# | 40 | |
| M220-0410-04S | 4路10A+4路信号 | 10A&AWG17#,信号&AWG26# | 40 | |
m220系列滑环技术规格参数
| 机械技术指标 | |
| 工作寿命 | 1000万转参考值(按工作情况而定) |
| 额定转速 | 250转/分钟 |
| 工作温度 | -30℃∼80℃ |
| 工作湿度 | 0∼85% RH |
| 接触材料 | 金/金 |
| 壳体材料 | 塑料 |
| 转动扭矩 | 0.05N.m+0.01N.m/6路 |
| 电气技术指标 | ||
| 参数 | 功率 | 信号 |
| 额定电压 | 0∼240VAC/VDC | 0∼240VAC/VDC |
| 绝缘电阻 | ≥300MΩ/300VDC | ≥300MΩ/300VDC |
| 导线规格 | 参考选型表格 | 参考选型表格 |
| 导线长度 | 标准长度150mm(可根据要求调整) | |
| 绝缘强度 | 300VAC@50Hz,60s | |
| 动态电阻变化值 | < 0.01Ω | |
| 防护等级 | IP51 | |
相关产品推荐







