H1235系列微型过孔滑环
孔径:12mm ,外径:35mm
米兰app体育官方入口下载手机版H1235系列是一款微型孔径过孔米兰体育最近消息,过孔直径12mm(适用任何孔径≤12mm的旋转装置),外径为 35mm。H1235系列是一个小孔径小电流微型整体式结构的精密米兰体育最近消息,可以稳定传输5A电流(倍率*5A)或信号,可用于管道摄像机(管道摄像机器人)、水下监控摄像机、管道探测器、工业内窥镜、ccd视觉检测设备、智能装备机器视觉系统、智能装备机器视觉系统、贴标机、智能点胶机、手机贴膜机、自动化组装机、自动包封机、旋转LED灯、拆解机、自动插pin机、牙签自动包装机、全自动糊盒机、实验设备、生物检测仪
- 产品特点
- 支持每路信号(5A)、电流(5A,可选做倍率*5A,如10A/每路);
- 最高转速:通用级250RPM,工业级600RPM,高端级1000RPM;
- 标准型号支持2~12路(每路5A)电流;
- 接触材料采用贵金属+超硬镀金处理;
- 电阻波动小,接触电阻小,保证优良的传输性能。
订购型号说明

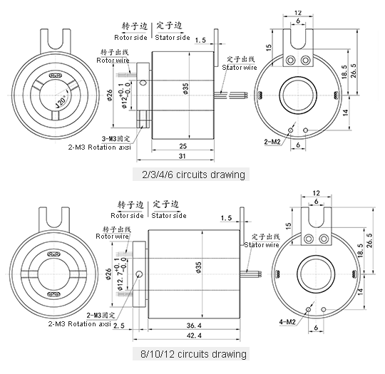
外形图纸

标准型号列表
| 型号 | 线路数(信号或0-5A) | 长度L(mm) |
| H1235-0205 | 2 | 25 |
| H1235-0305 | 3 | 25 |
| H1235-0405 | 4 | 25 |
| H1235-0605 | 6 | 25 |
| H1235-0805 | 8 | 36.4 |
| H1235-1005 | 10 | 36.4 |
| H1235-1205 | 12 | 36.4 |
*注:N个5A电流环并起来可做1路N*5A电流使用,比如:2环5A并起来可做1路10A使用;
h1235系列滑环技术规格参数
| 机械技术指标 | |
| 工作寿命 | 参考产品等级选型表 |
| 额定转速 | 参考产品等级选型表 |
| 工作温度 | -30℃∼80℃ |
| 工作湿度 | 0∼85% RH |
| 接触材料 | 参考产品等级选型表 |
| 壳体材料 | 铝合金 |
| 转动扭矩 | 0.05N.m+0.02N.m/6路 |
| 防护等级 | IP51 |
| 电气技术指标 | ||
| 参数 | 功率 | 信号 |
| 额定电压 | 0∼240VAC/VDC | 0∼240VAC/VDC |
| 绝缘电阻 | ≥500MΩ/500VDC | ≥500MΩ/500VDC |
| 导线规格 | AWG22#镀银铁氟龙 | AWG22#镀银铁氟龙 |
| 导线长度 | 标准长度300mm (可根据要求调整) |
|
| 绝缘强度 | 500VAC@50Hz,60s | |
| 动态电阻变化值 | < 0.01Ω | |
h1235产品等级
| 产品等级代号 | 最高转速 | 工作寿命 | 接触材料 |
| C(通用级) | 250RPM | 2000万转 | 贵金属 |
| D(工业级) | 600RPM | 8000万转 | 镀金-镀金 |
| H(高端级) | 1000RPM | 1.5亿转 | 金合金 |
相关产品推荐






