- 产品特点
- 电流大,单路最大电流可达3000A;
- 采用铝合金或不锈钢外壳;
- 极小的接触电阻,发热量小,可长期稳定工作;
- 一体化结构,安装非常方便。
订购型号说明

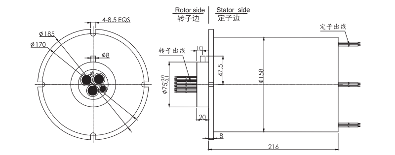
外形图纸

标准型号列表
| 产品型号 | 通路数 | 最大电流 | 耐压 | 最大转速 | 工作温度 |
| 2M15804500 | 4路 | 5000A | 690V | 250RPM | -40℃~+80℃ |
2M15804500系列滑环技术规格参数
相关产品推荐



| 产品型号 | 通路数 | 最大电流 | 耐压 | 最大转速 | 工作温度 |
| 2M15804500 | 4路 | 5000A | 690V | 250RPM | -40℃~+80℃ |
粤ICP备10080072号-1 Copyright 2009~2018