- 产品特点
- 可以混合功率动力线、信号线、以太网、USB、工业总线、控制线、电磁阀、感应线等;
- 能通过的介质有: 压缩空气、氩气、化学混合气体、蒸汽、冷却水、热水、热油、饮料等。
订购型号说明

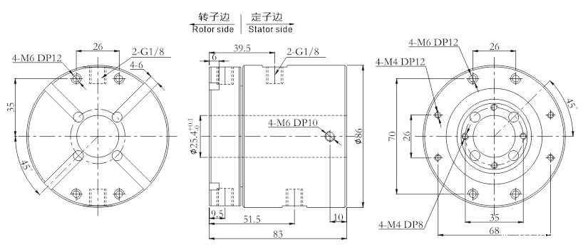
外形图纸

标准型号列表
| 型号 | 气管数量 | 接口尺寸 | 可适应气管 |
| 3252006 | 2进2出 | G1/8" | 6∼8mm |
3252006系列滑环技术规格参数
| 参 数 | 数值 |
| 气管数量 | 2进2出 |
| 气管大小 | 6~8mm气管 G1/8"牙 |
| 最大压力 | 正压:1Mpa,真空:-90kPa |
| 扭矩 | <0.2N.m |
| 工作寿命 | 2000万转(参考值,视工作环境而定) |
| 最高转速 | 连续旋转250转/分钟,间歇旋转1000转/分钟 |
| 工作温度 | -30℃~80℃ |
| 工作湿度 | 0~85% RH |
| 主要材质 | 铝合金 |
| 防护等级 | IP51 |
3252006产品等级
| 产品等级代号 | 最高转速 | 工作寿命 | 型号举例 |
| C(通用级) | 连续200RPM,间歇1000RPM | 1000万转 | 3252006-C |
| D(工业级,默认不写) | 连续250RPM,间歇1500RPM | 2000万转 | 3252006 或者 3252006-D |
相关产品推荐





